Email kami
Produk
Manifold Injap Solenoid 2V025
  • Manifold Injap Solenoid 2V025Manifold Injap Solenoid 2V025
  • Manifold Injap Solenoid 2V025Manifold Injap Solenoid 2V025

Manifold Injap Solenoid 2V025

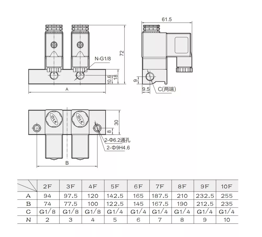
2V025 dua kedudukan, dua hala injap solenoid bertindak terus biasanya tertutup boleh disambungkan untuk membentuk tapak injap mengikut keperluan aplikasi, dengan pengembangan fleksibel daripada 2 hingga 12 kedudukan. Manifold Injap Solenoid 2V025 berbilang stesen ini menampilkan reka bentuk yang padat dan ringan tetapi tidak boleh dibongkar untuk kegunaan individu. Badan injap diperbuat daripada aloi aluminium berkualiti tinggi dan menggunakan bahan pengedap NBR.

Bergantung pada arah pengambilan dan ekzos, Manifold Injap Solenoid 2V025 boleh dibahagikan kepada jenis tekanan positif dengan satu alur masuk dan berbilang alur keluar, dan jenis tekanan negatif dengan berbilang alur masuk dan satu alur keluar. Tekanan negatif boleh digunakan dalam pam vakum. Oleh kerana tekanan positif dan negatif beroperasi dalam arah yang bertentangan, sila rujuk pasukan jualan OLK sebelum membuat pesanan

2V025 Solenoid Valve Manifold Data parameter am:

Tindakan

lakonan langsung

bilangan jawatan

2-kedudukan 2-hala

Keadaan Awal

TIDAK,NC

pelincir

tidak perlu

Julat tekanan kerja MPa(psi)

0~0.8Mpa(0~114psi)

Rintangan tekanan terjamin

1.5MPa (215psi)

Voltan Piawai

AC220V, AC110V, AC24V, DC24V, DC12V

Gunakan julat voltan

AC:±15%DC:±10%

penggunaan kuasa

AC: 6VADC: 6W

tahap perlindungan

IP65 (DIN40050)

gred rintangan haba

Kelas B

Jenis sambungan

Jenis soket DIN, jenis alur keluar

Masa pengujaan

0.05 saat atau kurang

Badan injap

Aloi aluminium

Soalan Lazim:

Apakah perbezaan antara 2V025-06 dan 2V025-08?

Perbezaan antara 2V025-06 dan 2V025-08 ialah diameter port. 06 = G1/8, dan 08 = G1/4


Bolehkah 2V025 digabungkan bersama untuk membentuk injap manifold?

Sehingga 10 pcs 2V025 injap solenoid boleh membentuk injap manifold.


Apakah senario yang sesuai untuk injap 2 hala 2V025?

Injap dua hala dua hala 2V025 sesuai untuk senario kerja meniup, tetapi ia tidak sesuai untuk silinder pneumatik kerana tiada port ekzos.


Bolehkah injap solenoid 2V025 digunakan dalam persekitaran tekanan negatif?

Sudah tentu, injap solenoid 2V025 dengan berbilang salur masuk udara dan satu alur keluar sesuai untuk digunakan dengan pam vakum.


Adakah vale kawalan cecair 2V025 2 arah biasanya terbuka?

YA,2V025-06-TIDAK:Saluran :G1/8 , Salur keluar:M5

2V025-08-NO:Inlet:G1/4 , Outlet:M5

Manifold Injap Solenoid 2 hala  Padanan Aksesori Bersama


Teg Panas: 2V025 Solenoid Valve Manifold, China, Pengilang, Pembekal, Kilang
Hantar Pertanyaan
Maklumat Hubungan
Selamat datang ke laman web kami! Untuk pertanyaan tentang produk atau senarai harga kami, sila tinggalkan e-mel anda kepada kami dan kami akan berhubung dalam masa 24 jam.
E-mel
cici@olkptc.com
Mudah alih
+86-13736765213
Alamat
Jalan Zhengtai, Zon Perindustrian Xinguang, Liushi, Yueqing, Wenzhou, Zhejiang, China.
X
Kami menggunakan kuki untuk menawarkan anda pengalaman menyemak imbas yang lebih baik, menganalisis trafik tapak dan memperibadikan kandungan. Dengan menggunakan tapak ini, anda bersetuju dengan penggunaan kuki kami. Dasar Privasi
Tolak Terima