Email kami
Produk
FA Flange Mount
  • FA Flange MountFA Flange Mount

FA Flange Mount

Model:FA63
OLK Pneumatic mengalu -alukan anda ke FA Flange Borong dari kilang kami. Produk kami disahkan CE dan kini mempunyai banyak inventori kilang. Kami akan memberi anda perkhidmatan yang baik dan harga diskaun kilang.

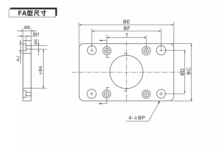
Gunung flange FA adalah pendakap pemasangan depan yang digunakan untuk silinder pneumatik standard siri SC.fix badan silinder supaya pergerakan beban dan arah pergerakan omboh adalah pada paksi yang sama atau selari.

FA Flange Mount adalah segi empat tepat hitam dengan lubang pelekap, yang membolehkan silinder pneumatik siri siri tetap dengan selamat ke mesin dan permukaan dari end non-rod.


Permohonan: Oleh kerana kesesuaian pendakap silinder flange FA-depan untuk memasang peralatan dengan kurungan atau lengan robot di hujung depan, dan biasanya pada satah yang sama seperti lubang pemasangan mesin automatik. Oleh itu, terdapat beberapa senario aplikasi biasa seperti berikut

Mesin Pembungkusan: Pergerakan linear kedudukan tetap dengan kawalan strok yang tepat.

Peralatan automasi: pemasangan stabil untuk silinder dalam kedudukan menegak atau mendatar.

Pengendalian Bahan: Digunakan dalam lekapan di mana silinder perlu dilancarkan dengan selamat.

Stesen Pemesinan: Untuk menekan, menolak, atau mengepung tindakan yang memerlukan pergerakan sifar sisi.

Rig ujian dan unit kawalan: Di mana kedudukan silinder tegar adalah penting untuk kebolehulangan.


Sc

63

X

50

-

S

-

FA

Silinder pneumacit standard siri SC

Saiznya

 

strok

 

S: Magnet

 

FA: Kepala Silinder dengan Mount Flange

 

 

 

 

 

Blank:non

 



Saiz Mount Flange FA:

Kod / Bore diameter

32

40

50

63

80

100

125

160

200

Ba

28.3

32.3

38.3

38.3

47.3

47.3

60.3

65.3

75.3

Bb

10

10

10

12

16

16

20

20

25

BC

47

52

65

76

95

115

140

180

220

BD

33

36

47

56

70

84

90

115

135

Menjadi

72

84

104

116

143

162

224

280

320

Bf

58

70

86

98

119

138

180

230

270

Bh

6.5

6.5

6.5

8.5

10.5

10.5

8

8

12

AJ

10.5

10.5

10.5

13.5

16.6

16.6

19

25

25

Dan

6.5

6.5

6.5

8.5

10.5

10.5

13

17

17

BP

7

7

9

9

11

11

16

18

22

T

33

37

47

56

70

84

110

140

175


Soalan Lazim:

Bolehkah pendakap silinder bebibir depan FA dipadankan dengan silinder lain untuk digunakan?

Lubang pemasangan silinder yang berbeza mempunyai kedudukan yang berbeza, dan plat flange FA yang sepadan harus digunakan. Plat flange siri FA ini hanya boleh digunakan dengan silinder standard siri SC.


Whtats berbeza dengan OLK FA Flange Mount dan FB Flange Belakang?

Flange depan FA: Sambungkan hujung depan silinder ke peralatan, dengan batang omboh menghadap ke luar semasa pemasangan. Biasanya digunakan dalam peralatan front-end dan senario menolak beban.


Flange belakang FB: Sambungkan hujung belakang silinder ke peralatan, dan sembunyikan badan silinder di belakang pendakap. Sesuai untuk situasi di mana badan silinder perlu diperbaiki dan kedudukannya dikekalkan.


Teg Panas: FA Flange Mount, China, Pengilang, Pembekal, Kilang
Hantar Pertanyaan
Maklumat Hubungan
Selamat datang ke laman web kami! Untuk pertanyaan tentang produk atau senarai harga kami, sila tinggalkan e-mel anda kepada kami dan kami akan berhubung dalam masa 24 jam.
E-mel
cici@olkptc.com
Mudah alih
+86-13736765213
Alamat
Jalan Zhengtai, Zon Perindustrian Xinguang, Liushi, Yueqing, Wenzhou, Zhejiang, China.
X
Kami menggunakan kuki untuk menawarkan anda pengalaman menyemak imbas yang lebih baik, menganalisis trafik tapak dan memperibadikan kandungan. Dengan menggunakan tapak ini, anda bersetuju dengan penggunaan kuki kami. Dasar Privasi
Tolak Terima