Email kami
Produk
Injap togol pneumatik TAC
  • Injap togol pneumatik TACInjap togol pneumatik TAC

Injap togol pneumatik TAC

Sebagai pembuatan profesional, OLK ingin memberi anda injap togol pneumatik TAC. Dan Olk akan menawarkan perkhidmatan selepas jualan terbaik dan penghantaran tepat pada masanya.

Injap togol pneumatik TAC (juga dikenali sebagai injap suis) adalah komponen penukaran ketepatan yang direka khas untuk sistem pneumatik dan kawalan bendalir. Dengan struktur kawalan jenis togol yang unik, ia mencapai penukaran cepat dan kawalan tepat laluan bendalir.

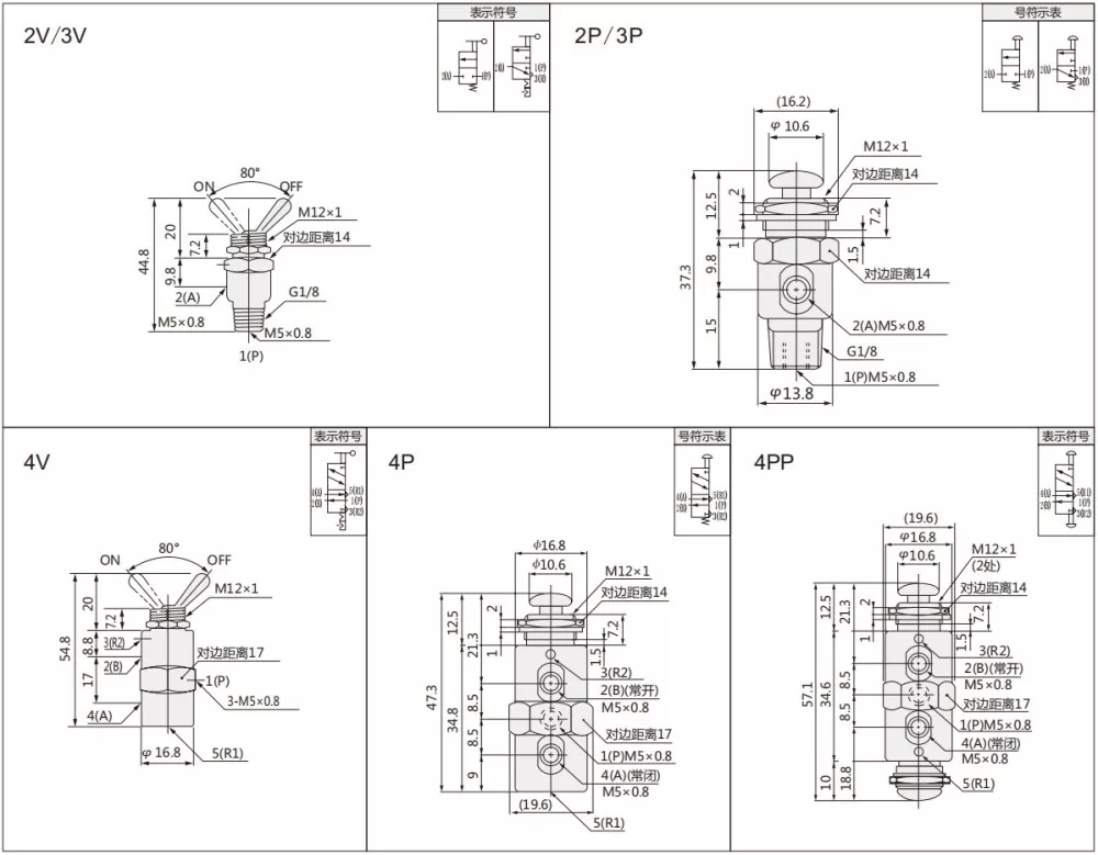
Injap togol siri TAC mempunyai 2 kedudukan 2 cara, 2 kedudukan 3 cara dan 2 kedudukan 5 cara boleh dipilih. Pelbagai jenis tuil dan dua jenis benang: M5, G1/8.

Senario aplikasi

Peralatan automasi industri, pemprosesan mekanikal, pemprosesan bahan binaan, tenaga dan perlombongan, industri makanan dan minuman, peralatan perubatan, dll.

Ciri -ciri produk

Saiznya kecil, memerlukan sedikit ruang pemasangan, dan intuitif untuk beroperasi secara manual, menjadikannya sesuai untuk senario yang memerlukan penukaran yang kerap.

Simbol dan garis besar injap toggle TAC

Kod erdering

Tac

2

__

2

P

 

 

 

 

 

Injap togol siri TAC

 

 

2: 2posisi 2 cara (M5)

P: Jenis butang tarik-tarik

 

 

 

3: 2 kedudukan 3 cara (M5)

V: Jenis tuil tangan

 

 

 

4: 2 Powisi 5 Way (M5)

PP: Butang Double Push-Pull

 

 

 

31: 2 kedudukan 3 cara (G1/8)

 

 

 

 

41: 2 Powition 5 Way (G1/8)

 

 

Model

Saiz pelabuhan

 

Nombor
kedudukan

Berkesan  
kawasan keratan rentas

Julat tekanan

Cecair kerja

Ambien
Suhu

 

TAC-2V

Inlet = outlet = m5   

2 kedudukan 2 cara

1.9mm²

0.05 ~ 0.9PPA

Udara

0 ~ 60

TAC-2P

Inlet = outlet = m5   

2 kedudukan 2 cara

1.9mm²

TAC-3V

Inlet = outlet = m5   

2 kedudukan 3 cara

1.9mm²

TAC-3P

Inlet = outlet = m5   

2 kedudukan 3 cara

1.9mm²

TAC-4V

Inlet = outlet = m5   

2 kedudukan 5 cara

1.9mm²

TAC-4P

Inlet = outlet = m5   

2 kedudukan 5 cara

1.9mm²

4pp

G1/8

 

2 kedudukan 5 cara

4.5mm²

TAC2-31V

Inlet = outlet = ekzos = g1/8   

2 kedudukan 3 cara

4.5mm²

Tac2-31p

Inlet = outlet = ekzos = g1/8   

2 kedudukan 3 cara

4.5mm²

TAC2-41V

Inlet = outlet = g1/8 ekzos = m5

2 kedudukan 5 cara

4.5mm²

Tac2-41p

Inlet = outlet = g1/8 ekzos = m5

2 kedudukan 5 cara

4.5mm²

Tac2-41pp

Inlet = outlet = g1/8 ekzos = m5

2 kedudukan 5 cara

4.5mm²

Soalan Lazim:

Apakah perbezaan antara injap togol dan injap mekanikal?

Ia boleh membezakan injap togol dan injap mekanikal dengan jenis kawalan: Togol injap adalah jenis memegang tuil yang diculik, injap mekanikal adalah jenis butang tarik-tarik atau jenis roller

 

Apakah perbezaan antara injap togol dan injap lain?

Kawalan yang tepat: Injap togol mencapai peraturan aliran halus melalui teras injap konik, yang sesuai untuk kawalan yang tepat dalam saluran paip diameter kecil, manakala injap bola lebih sesuai untuk pembukaan dan penutupan operasi cepat.

Teg Panas: Tac Pneumatic Togol Valve, China, Pengilang, Pembekal, Kilang
Hantar Pertanyaan
Maklumat Hubungan
Selamat datang ke laman web kami! Untuk pertanyaan tentang produk atau senarai harga kami, sila tinggalkan e-mel anda kepada kami dan kami akan berhubung dalam masa 24 jam.
E-mel
cici@olkptc.com
Mudah alih
+86-13736765213
Alamat
Jalan Zhengtai, Zon Perindustrian Xinguang, Liushi, Yueqing, Wenzhou, Zhejiang, China.
X
Kami menggunakan kuki untuk menawarkan anda pengalaman menyemak imbas yang lebih baik, menganalisis trafik tapak dan memperibadikan kandungan. Dengan menggunakan tapak ini, anda bersetuju dengan penggunaan kuki kami. Dasar Privasi
Tolak Terima